
Our Commercial and Industrial ESS solutions support energy capacities ranging from 100 to 344kWh that can meet the flexible configuration needs of various scenarios. The products support both on-grid & off-grid operation modes, provide UPS function, and can realize flexible expansion, thereby maximizing investment returns and ensuring energy independence for clients. We also incorporate self-developed software to simply manage microgrid applications and participate in electricity spot market transactions in the form of virtual power plants (VPP), proactively embracing new power systems.
Topology Drawing

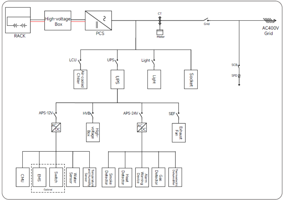
100kW/215kWh All-In-One Energy Storage System is an integrated battery energy storage system comprising a lithium-ionbattery pack (hereafter referred to as PACK), a power converter system (hereafter referred to asPCS), an energy management system (hereafter referred to as EMS), a liquid thermal managementsystem (hereafter referred to as LTMS), and a Thermal Runaway Suppression System. Through EMSmanagement, it achieves the storage and release of electrical energy.Battery Charging: Controlled by the EMS, the PCS converts mains electricity or other powersources into direct current to charge the batteries, storing energy within them.Battery Discharging: Controlled by the EMS, the stored battery energy is converted by the PCSinto alternating current to supply power to the load.
Electric Drawing

Our Strength
![]() | ![]() | ![]() |
| Application Scenarios | System Characteristics | System Composition |
1.New Energy Distribution 2.Commercial Buildings 3.Charging Stations 4.Data Centers | 1.Outdoor IP54 Design, adapt to complex environment 2.System cycle efficiency ≥90% 3.High density battery 4.Intelligent management and scheduling | 1.Lithium battery + ENS + PCS integration 2.Energy stroage battery:215kWh 3.Energy storage converter: 100kW |
Products Process
We're a leading solution provider in the field of distributed energy, focusing on industrial, commercial, and residential scenarios. SQT provides core products and comprehensive solutions for energy storage systems(BESS), with a mission to lead green energy technology and bring zero-carbon energy into daily life, achieving safe, efficient, and intelligent operation of electricity.

| MODEL | 215KWh Ecopower Cube |
| Battery Parameters | |
| Battery Type | Lithium iron phosphate |
| Cell Spec | 3.2V/280Ah |
| String Configuration | 1P240S |
| Rated DC power | 100kW |
| Rated energy capacity | 215.04kWh |
| Rated voltage | DC768V |
| Voltage range | DC672~852V |
| The charge and discharge rate | 0.5C |
| Cooling | Liquid cooling |
| AC Parameter(on-grid) | |
| Rated power(kW) | 100kW |
| Overload capacity | 100%(long term), 120%(1min) |
| Rated current(A) | 145A |
| AC output | 3P+N+PE |
| Isolation | grid-connected without isolation |
| ACPF | -0.99 ~ +0.99 |
| Rated Voltage | 400V(-20%~+15%) |
| Rated grid frequency | 50Hz/60Hz±2.5Hz |
| Full power charge-discharge conversion time | <100ms |
| AC Parameters(off-grid) | |
| Rated power(kW) | 100kW |
| Rated voltage | AC400V |
| Rated grid frequency | 50Hz/60Hz |
| THDU | ≤3% |
| Unbalance | 1 |
| System Parameters | |
| Max efficiency | 90% |
| Life cycle | ≥8000 |
| Dimension (WxDxH) | 1300*1400*2300mm |
| Weight(kg) | 2.6T |
| Outlet | Bottom in and bottom out |
| Operating temperature range | charging: -15℃~52℃, discharging: 3℃~52℃ |
| Storage environment | -20℃~45℃(within a month) |
| 0℃~35℃(within a year) | |
| <85%ROH(no condensation) | |
| Relative humidity | 0~95% (non-condensing) |
| Working altitude | Standard 2000m(>2000m Derating) |
| Degree of protection | IP54 |
| Fire configuration | Aerosal, PACK level immersion + active warning |
| Communication | Ethernet |
Application
Peak-valley arbitrage

Peak Shaving and Valley Filling: The system automatically charges during off-peak hours when electricity rates are low and discharges during peak demand periods. This load-shifting strategy significantly reduces demand charges and overall energy costs for businesses.
PV Energy Time-Shift

Solar Self-Consumption Optimization: For facilities with rooftop solar PV systems, the ESS captures excess solar energy generated during the day that would otherwise be fed back to the grid at low rates. This stored energy is then used during evening hours or cloudy periods, maximizing the return on investment for solar installations.
Power Protection and Backup
